2. 中国石油大学北京地球科学学院, 北京 102249
2. College of Geosciences, China University of Petroleum, Beijing 102249, China
塔中北坡是指塔中隆起Ⅰ 号断裂带以北的围斜区,目前中石化已在该区的古城墟隆起西部到顺托果勒低隆东部钻探井9 口(图1)。钻探的目的层位为奥陶系中下统,该层位是一套碳酸盐岩地层,其中古隆1 井奥陶系鹰山组内幕获低产工业气流,古隆2 井奥陶系一间房组与鹰山组上部见良好的油气显示,顺南1 井奥陶系一间房组—鹰山组顶部携砂酸压见油气,顺南4 与顺南5 井奥陶系一间房组—鹰山组顶部均获高产工业气流,展示了该区奥陶系良好的勘探前景。由于该区油气勘探重点层位一间房组—鹰山组均为碳酸盐岩地层,岩电特征相似,加之钻井取心井段很少及取样条件限制,可资生物地层学厘定的重要化石不易获得,从而给其地层的准确与精细划分带来很大困难,成为当前阻碍该区油气勘探的瓶颈难题。
|
图1 研究地区构造单元区划及钻井位置图 Fig.1 Tectonic unit division and drill hole locations of the study area |
从目前公开发表的资料看,仅个别学者依据少数单井见到的少量生物化石开展过一些塔中北坡一间房组地层划分对比研究。董宝清等[1]依据塔中88 井7205~7230 m井段发现的一间房组组顶部标准化石Eoplacognathus foliaceushe 与Pygodus serrus,证实了该井存在一间房组地层,进而依据该井处于塔中隆起边缘低洼区(塔中Ⅰ 号断裂带附近)推断,在塔中隆起边缘低洼区应该存在一间房组。蔡习尧等[2]依据在古隆1 井5874~5876 m井段获得的一间房组顶部Pygodus serrus 牙形石化石带,进而结合岩电特征与生物特征综合分析,将古隆1 井5875.5~6002 m划归一间房组。
虽然上述2 位学者各自依据在塔中88 井与古隆1 井发现的存在于一间房组顶部的标准牙形石化石证实了一间房组在塔中北坡及塔中隆起边缘低洼区的存在,但由于一间房组本身与下伏地层鹰山组岩电特征很相似,其余所有钻井未发现可资生物地层学厘定的重要化石,从而给该区一间房组划分对比与地层分布预测带来非常大困难。
笔者从2012 年起,通过挑选典型露头剖面与钻井剖面并系统取样开展碳同位素地层学研究,查明了塔里木盆地中央隆起区中、上奥陶统鹰山组—一间房组—恰尔巴克组碳同位素值演变特征,并进而建立了上述层位碳同位素对比标准[3]。本次研究依据此标准,通过对塔中北坡古隆1 井、顺南1 井2 口重点井奥陶系碳酸盐岩地层系统取样(岩心取样间隔2 m左右,岩屑取样间隔为10 m左右),开展了上述2 口重点井奥陶系碳酸盐岩地层的碳同位素地层学研究,期盼通过对这2 口井的奥陶系碳酸盐岩地层碳同位素曲线变化特征分析,准确划分这2 口重点井的一间房组,进而通过连井对比、牙形石化石演变特征分析及地震剖面追踪对比,探讨塔中北坡一间房组分布规律及T74界面性质,为塔中北坡上述层位的油气勘探生产提供资料。
2 碳同位素原理及方法所谓碳同位素地层学就是利用碳稳定同位素在地层中的变化特征进行地层的划分和对比,确定地层的相对时代,并探讨地质历史中发生的重大事件[4]。
自然界中的碳可划分为有机碳库与无机碳2 大类型,这2 种类型的碳是可以相互转化的。植物通过光合作用将无机碳转化为有机碳。动、植物的呼吸作用、死后及动物的粪便等经微生物的分解作用、沉积埋藏后的有机碳诸如化石燃料等经高温热解及燃烧作用都可将有机碳转变为无机碳。自然界的碳以12C、13C、14C 三种同位素形式存在[5],其中12C 与13C 的丰度分别大约为98.89%和1.11%,自然界中14C的含量非常少,完全可以忽略不计。植物在光合作用过程中优先摄入质量相对较轻的12C,也就是说,有机碳富集12C。研究表明,在地质历史演化过程中碳总量的变化微乎其微,一般可以忽略不计,也就是说自然界中碳的总量可以认为是不变的[6]。从而在整个碳循环体系中,由于植物的生产率提高或者沉积埋藏的有机碳量增大,或者两者同步提高或增大都将导致有机碳量增加而使无机碳量相对减少,富集12C的有机碳量增大必然导致无机碳库中12C相对丰度减小而使13C相对丰度增大。反之,由于植物的生产率降低或者沉积埋藏的有机碳量减小,或者两者同步降低或减小都将导致有机碳量减小而无机碳量增加,富集12C的有机碳量减小也必然导致无机碳库中12C相对丰度增大而使13C相对丰度减小。无机碳库的碳包括大气圈、水圈与岩石圈中的碳,大气圈和水圈内及两者之间都是以自由扩散的方式来进行碳循环的,富集12C的有机碳是由植物通过光合作用从大气中或水圈中吸收无机碳形成的。有机碳库中的有机碳量增加或减小引起的无机碳库中12C和13C丰度变化规律或趋势无论在大气圈或水圈中都应该一致。水中溶解的Ca2+、Mg2+结合水圈中的HCO3-或CO32-通过饱和沉淀形成的碳酸盐岩能很好的保留这种12C和13C丰度变化信息。以往研究表明,古代海相碳酸盐岩中的碳同位素由于受成岩作用影响小,其碳同位素难以被交换而使其碳同位素的组成能近似地反映古海洋无机碳的同位素组成[7, 8, 9]。因此,通过测试古代海相碳酸盐岩δ 13C 值,可以查明古海洋无机碳的12C 与13C丰度变化情况。
碳同位素地层学的研究始于20 世纪70 年代中期,现已被认为是地层划分与对比(特别是缺乏生物化石或断代化石的碳酸盐岩地层)及古环境研究等十分有效的方法之一[10, 11]。这是因为碳同位素值随时间的波动变化,直接或间接地反映了全球碳循环的变化,其显著漂移往往与影响生物演化进程的重大的地质环境事件(如海平面波动、大洋缺氧事件、火山活动、陨石撞击等)相对应,且通常具有大范围甚至全球的等时性[12, 13, 14, 15, 16]。因此该研究方法日益受到国际地层学界的重视和广泛应用。
一般来说,碳同位素地层学研究步骤可分为2步,首先对有生物化石等准确标定层位的标准剖面或标准井开展碳同位素地层学研究,建立不同地层单元及界面的碳同位素识别标准。然后用此标准通过对其他露头或钻井剖面系统取样获取的碳同位素曲线的演变特征分析,完成所研究剖面的地层划分对比。取样要求对研究层位按一定采样间隔系统取样,采集无蚀变、无风化的新鲜样品,尽可能避免后期成岩作用对样品的影响。由于井下取心段有限,对岩屑样品必须进行严格的清洗、过筛与挑选,才可使用。
3 采样原则、分析方法及测试结果可靠性讨论按照碳同位素地层学采样要求,本文对古隆1与顺南1 井2 口钻井奥陶系碳酸盐岩地层进行了系统采样,其中古隆1 井奥陶系碳酸盐岩井段为5849.00~6612.00m,采集样品共计92 块(包),包括岩心样品22 块,岩屑样品70 包(图2);顺南1 井奥陶系采样井段为6463.00~7050.00 m,采集样品共计69块(包),包括岩心样品21 块,岩屑样品48 包(图3)。海相碳酸盐中的碳同位素信息虽然较少受到成岩作用的影响,但风化蚀变严重的岩石可靠性低[13]。鉴于此,本次选取的钻井样品都注意选取未受后期蚀变和变质作用影响的样品。
|
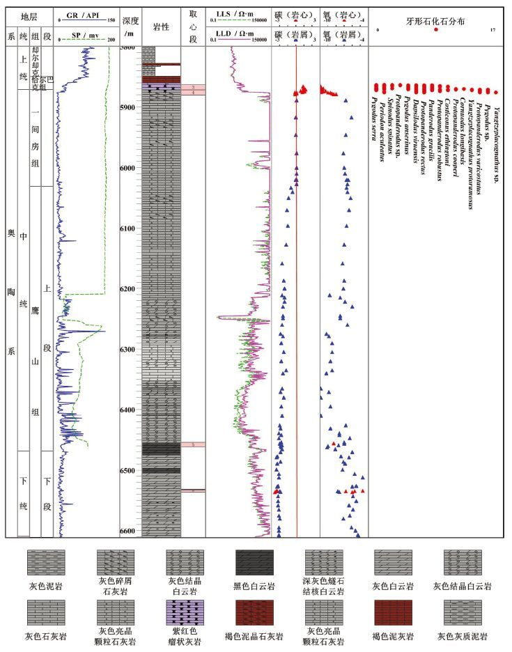
图2 古隆1 井奥陶系碳同位素曲线及主要牙形石分布 Fig.2 Ordovician carbon isotope curve and conodont zonations at Well Gulong1 |
|
图3 顺南1 井奥陶系碳同位素曲线 Fig.3 Ordovician carbon isotope curve at Well Shunnan1 |
碳、氧同位素值的测定是在核工业北京地质研究院分析测试中心完成,采用McCrea正磷酸法[17],测试仪器为美国菲尼根公司生产的MAT-253型同位素质谱仪,测试结果以PDB标准给出,单个测试结果重复精度高于0.1‰,工作标样为GB04416 及GB04417。碳、氧同位素测试结果列于图2和图3中。
氧同位素对成岩作用最为敏感[18, 19],因此在实验测试时与δ 13C值同步得到的δ 18O值常因显著的成岩改造而在地层研究中失去意义,但其可广泛用于评价δ 13C值的有效性[16]。研究表明当样品的δ 18O值在-10‰~-5‰时,氧同位素已发生一定程度的改变,其碳同位素可能稍受影响但不足以改变其碳同位素组成;当δ18O<-10‰时,碳氧同位素都经历了较强烈的成岩改造,其碳同位素原始组成可能已经发生改变[20, 21, 22]。所以一般将δ 18O>-10‰作为碳稳定同位素数据有效的判别标准[23, 24, 25]。另有少数人将δ 18O>- 11‰ 作为界线值[26]。本文161 个样品的δ 18O值均>-10‰(图2~图3),说明这些样品的碳稳定同位素数据应该能反映碳同位素的原始组成。
4 讨论 4.1 一间房组碳同位素特征、划分对比及碳同位素值漂移成因分析塔里木盆地的一间房组系周志毅等[27]建立的组名,标准剖面位于新疆塔里木盆地西北边缘巴楚县良里塔格山脉一间房西南,为一套厚大约54.1 m的厚层生物碎屑灰岩和生物礁灰岩,上下分别与奥陶系的恰尔巴克组(中石油系统称吐木休克组)和上丘里塔格群呈整合接触[27, 28],之后多位学者[29, 30, 31, 32]对其进行了研究和修订,目前一间房组底界面以李越等[32]在唐王城—永安坝一带露头区鹰山组上部微晶灰岩夹少量白云岩为主体的序列中发现的一个明显的沉积间断面即古喀斯特面(古喀斯特面之下数米厚的灰岩层中含大量砾石,砾的成分为中等磨圆度、厘米级大小的灰岩,并与残破的头足类化石共生,是一种贝壳-砾石滩)为一间房组与鹰山组界面。与周志毅等[27]最初定义的一间房组底界相比,李越等[32]所定义的底界略高。基于石油勘探的实用性,也便于露头区与井下地层的对比,目前一间房组顶界的划分方案是将原周志毅等[27]拟订的一间房组的顶界上移,置于“下红层”的底界面上,一间房组之上的恰尔巴克组限定为只有数米厚的“下红层”[31, 32],恰尔巴克组这套红色灰岩层的分布很稳定,可延伸到塔河油田、轮南油田以及塔中北坡。这一标准在油气勘探开发钻井中已被广泛采用[1, 2]。
据王志浩等[33, 34, 35, 36]、熊剑飞等[30]的研究,一间房组牙形石自下而上分为Microzarkodinaparva 带,Lenodusvariabilis 带,Eoplacognathuscrassus 带及顶部的Pygodus serra 带,全组时代为中奥陶世达瑞威尔期。中石化在塔中北坡所钻9 口井中除古隆1 井见到了一间房组顶部的Pygodusserrus 牙形石化石带外,其余各井都未见可资生物地层学厘定的重要化石。一间房组与上覆地层恰尔巴克组岩电特征差异较明显,一间房组岩性为大套灰、浅灰色灰岩,电性表现为“低伽马高电阻”且两者曲线呈现“箱状”特征,而恰尔巴克组岩性为褐、棕红、棕、浅棕色或浅灰色瘤状灰岩、泥质灰岩或泥灰岩,电性表现为“高伽马低电阻”且两者曲线构成“钟状”特征[7, 8],故此两者界面相对比较容易划分(图2、图3)。但一间房组与下伏地层鹰山组岩电特征非常相似,两者界面很难划分。
张智礼等[3]对中央隆起区中上奥陶统碳酸盐岩地层碳同位素地层学研究表明,中央隆起区中上奥陶统发生过2 次大的δ 13CPDB正漂移,分别为中奥陶世大坪期(O21)末到达瑞威尔期(O22)初期与中奥陶世达瑞威尔期(O22)末到晚奥陶世桑比期(O31)。2次δ 13CPDB正漂移的变化幅度均在1‰以上,导致鹰山组(13CPDB值均<0,分布范围在-2.5‰~-0.5‰,平均值约-1.5‰)、一间房组(δ13CPDB值均接近0 ,分布范围在-0.4‰~0.6‰,平均值近乎为0)与恰尔巴克组-良里塔格组(δ13CPDB值均>0,分布范围在0.4‰~2.9‰,一般在1‰上下,平均值不低于1.2‰)δ13CPDB差异明显,可作为该区地层划分对比依据。2 次δ13CPDB正漂移的转折处分别是鹰山组/一间房组与一间房组/恰尔巴克组或良里塔格组分界面。
依据中央隆起区奥陶系碳酸盐岩地层碳同位素对比标准[3],结合牙形石化石与岩电特征分析,根据古隆1 井与顺南1 井碳同位素曲线变化特征,对上述2口钻井的一间房组进行了划分。
古隆1 井井深为6030.8 m位置为鹰山组与一间房组的分界面,该界面之下的66 个样品的δ13CPDB均<0,δ13CPDB 分布范围-2.6‰~-0.4‰,其平均值为-1.82‰,上述碳同位素特征为鹰山组碳同位素典型特征[3];该界面之上5871.6~6030.8 m井段为一间房组,该井段的14 个样品的δ13CPDB 均接近或等于0,δ13CPDB 分布范围为- 0.1‰ ~0.1‰ ,其平均值为0.03‰,上述碳同位素特征为一间房组碳同位素典型特征[3]。此外,在该井段顶部见到了一间房组顶部的牙形石化石带Pygodusserrus 带。电性表现为低伽马高电阻特征,为一间房组典型电性特征[1, 2]。上述分析表明,依据古隆1 井碳同位素曲线变化特征将5871.6~6030.8 m井段划为一间房组是正确的。
古隆1 井井深为5871.6 m位置为一间房组与恰尔巴克组的分界面,界面之5849.4~5871.6 m井段的12 个样品的δ13CPDB 均>0,δ13CPDB 分布范围0.6‰ ~1.2‰,其平均值为0.97‰,上述碳同位素特征为恰尔巴克组—良里塔格组碳同位素典型特征[3]。此外,该井段底部见到了恰尔巴克组底部的牙形石化石带Pygodusanserinus 带。其岩性下部为紫红色瘤状灰岩,上部为褐色泥灰岩,此特征为恰尔巴克组典型岩性特征;其电性表现为“高伽马低电阻”且两者曲线构成“钟状”,也为恰尔巴克组典型电性特征[1, 2]。上述分析表明,古隆1 井5849.4~5871.6 m井段属恰尔巴克组是正确的(图2)。
顺南1 井井深为6765.0 m位置为鹰山组与一间房组的分界面,该界面之下的29 个样品的δ13CPDB均<0,δ13CPDB分布范围-2.7‰~-0.8‰,其平均值也为-1.82‰,上述碳同位素特征为鹰山组碳同位素典型特征[3];该界面之上6528.4~6765.0 m井段为一间房组,该井段的32 个样品的δ13CPDB 均接近或等于0,δ13CPDB 分布范围为- 0.5‰ ~0.4‰ ,其平均值为0.046‰,上述碳同位素特征为一间房组碳同位素典型特征[3]。其电性表现为低伽马高电阻特征,为一间房组典型电性特征[1,2](图3)。上述分析说明,依据顺南1 井碳同位素曲线变化特征将6528.4~6765.0 m井段划为一间房组是正确的。
顺南1 井井深为6528.4 m位置为一间房组与恰尔巴克组的分界面,界面之上5 个样品的δ13CPDB均>0,δ13CPDB 分布范围为0.3‰ ~0.9‰ ,其平均值为0.62‰,上述碳同位素特征为恰尔巴克组以上碳酸盐岩地层碳同位素典型特征[3]。此外,其岩性为灰色泥灰岩,电性表现为“高伽马低电阻”特征,与恰尔巴克组岩典型岩电性特征相似[1, 2]。上述分析说明,顺南1 井6528.4 m以上地层属恰尔巴克组是没有问题的(图3)。
对于不同地质历史时期碳同位素组成发生漂移的原因,目前有不同的推断和解释,例如陨石撞击[37, 38]、海平面变化[39, 40]、气候变化[41, 42]、火山活动[43, 44]、天然气释放[45, 46]、地壳构造运动[47]等都可能导致生物产率发生变化,生物产率的变化使自然界碳循环链发生变化,海水碳同位素组成也随之发生改变,最终形成了碳酸盐沉积物中碳同位素组成的漂移。
据张丽娟等[48]研究表明,塔中隆起及塔中北坡奥陶系鹰山组岩性以厚层褐灰色粉晶、泥晶灰岩为主,局部发育浅灰、褐色灰质云岩,代表该沉积时期为局限一开阔台地背景下的潮间、潟湖、台内滩亚相环境;塔中隆起边缘低洼区及塔中北坡一间房组岩性以灰色鲕粒灰岩为主,常发育生物点礁,造礁生物以菌藻——托盘海绵(瓶筐石)为主,代表该沉积时期为台地边缘相环境;塔中北坡恰尔巴克组岩性以富含有机质及生物化石的紫红、褐或灰色瘤状或泥质灰岩为主,代表该沉积时期为碳酸盐岩斜坡相环境。这说明上述3 个层位沉积时期相对海平面是有很大变化的,鹰山组沉积时期相对海平面最低,一间房组沉积时期相对海平面有了较大上升,到了恰尔巴克组沉积时期,相对海平面达到最大。上述3 个层位的相对海平面变化特征与其碳同位素变化特征具有完全一致的正相关性,也就是说,相对海平面最低的鹰山组时期所沉积的碳酸盐岩的δ 13CPDB均<0,δ13CPDB的平均值为-1.82‰,相对海平面较高的一间房组时期所沉积的碳酸盐岩的δ13CPDB均接近0,δ13CPDB的平均值大约为0.038,相对海平面最高的恰尔巴克组时期所沉积的碳酸盐岩的δ13CPDB均>0,δ13CPDB的平均值大约为0.8。反映了塔中北坡奥陶纪鹰山组到恰尔巴克组沉积时期的碳同位素值变化与海平面升降变化有密切联系,与彭苏萍等[49]分析塔里木盆地巴楚凸起奥陶系碳同位素变化原因得出的结论完全一致。因为对碳同位素来说,海平面上升期,陆棚面积增大,水体加深,浪基面上升,光合作用所能到达的界面随之上移,结果使下部水体光合作用减弱,原来水体耗氧量增大,溶解氧被消耗,进一步导致缺氧或还原环境扩大的同时,海侵期间相对较小的子午线梯度会形成比较温暖、均一的气候条件,这种状况会使水中氧的溶解度和底层水重新氧化速率降低,造成大洋贫氧或缺氧水体扩展;再者,海平面上升还会引起底层热卤水的形成和海水密度分层及表层水产率和养料供给的增加;这些因素将促进有机碳的埋藏和保存,从而促使δ 13C增大[5]。
4.2 塔中北坡一间房组分布特征在完成古隆1 井与顺南1 井2 口单井一间房组划分基础上,对上述2 口井一间房组等地层单元的岩电特征进行了归纳总结,分析表明,该组岩性为黑灰、灰色泥晶灰岩、砂屑泥晶灰岩与亮晶颗粒灰岩不等厚互层,电阻率曲线呈尖峰状高阻,自然电位曲线平直,自然伽马为小齿状低值,但自下而上呈现增大趋势。一间房组的岩电特征,与上覆地层恰尔巴克组的紫红、褐或灰色瘤状或泥质灰岩特征及高伽马、低电阻的电性特征差异明显,两者很好区分。虽然与下伏地层鹰山组岩性特征相似,不易区分,但一间房组自然伽马曲线自下而上呈增大趋势的特征与鹰山组自然伽马曲线还是很好区分的(图2、图3)。藉此,通过分析古隆3 井与顺南2 井相应层位的岩电特征,对古隆3 井与顺南2 井一间房组等地层单元进行了划分。在此基础上,通过顺南1—顺南2—古隆1—古隆3 井连井地层对比,探讨了塔中北坡古城墟隆起西部到顺托果勒低隆东部一间房组地层厚度变化情况(图4)。从单井划分结果看,顺南1 井与顺南2 井一间房组厚度分别为236.6 m、192.1 m,而古隆1 井与古隆3 井一间房组厚度则分别只有159.2 m与162.6 m,顺托果勒低隆东部一间房组厚度明显大于古城墟隆起西部一间房组厚度,这种厚度差异可能是由一间房组沉积时期两个地区所处沉积环境不同所致。
|
图4 顺南1-顺南2-古隆1-古隆3井奥陶系连井地层划分对比图 Fig.4 Ordovician stratigraphic division and correlation of connected Well Shunnan1- Shunnan2-Gulong1-Gulong3 |
目前塔中北坡钻遇一间房组顶界面(即一间房组与恰尔巴克组界面,也即地震反射界面T74)的井较多,从本文作者2014 年在古隆1 井一间房组与恰尔巴克组界面附近系统取样获得的牙形石化石看,在总共15 m多点的地层中共有14 块样品中见到了牙形石化石,在短短的这段地层中,自下而上发现了存在于一间房组顶部的Pygodusserrus 带及存在于恰尔巴克组底部的Pygodusanserinus 带,从发现Pygodusserrus 分子(5873.25m)开始到Pygodusanserinus分子出现(5871.6 m)总共不到2 m,且在此段地层之后Pygodusserrus 分子一直与Pygodusanserinus 分子混生在一起。不仅如此,在一间房组顶部出现的其余牙形石分子中的绝大部分也都顺延到了恰尔巴克组,说明该时期沉积环境稳定,出现沉积间断甚至地层遭受剥蚀的可能性应该没有(图2)。此外,分析过顺南1 井的地震剖面表明(图5),从顺南1 井向盆地方向,T74界面上下地震反射轴相互平行且十分稳定,反映了T74界面为整合界面。而从顺南1 井向隆起方向,在过了箭头所示的一个类似转折点的地方后,T74界面与T75界面(相当于鹰山组与一间房组界面)所夹的一间房组厚度明显逐渐减薄,且T74界面下的地震反射轴逐渐接近T74界面的强反射轴并有相交的趋势,反映了自转折点开始,T74界面可能变成了一个不整合界面,下伏的一间房组上部地层存在剥蚀。以上论述说明,至少在塔中北坡古城墟隆起西部到顺托果勒低隆东部地区,靠近或接近塔中隆起的区域T74界面应该为不整合界面,一间房组顶部地层明显遭受剥蚀。除此之外的其余区域,T74界面应该为整合界面,也即一间房组与上覆恰尔巴克组之间为没有沉积间断的连续沉积。
|
图5 过顺南1 井的地震剖面(line1611) (T72相当于桑塔木组组与良里塔格组分界面;T74相当于恰尔巴克组与一间房组分界面;T75当于一间房组与鹰山组分界面) Fig.5 Seismic section(line1611)through Well Shunnan1 |
此外,分析过顺南1 井的地震剖面还表明,一间房组底界面(即T75地震反射界面)无论从顺南1 井处到盆地方向,还是从该处到塔中隆起方向,该界面的地震反射抽均与下伏地层鹰山组内部的地震反射轴平行,说明该界面应该为整合界面。
5 结论本文在对塔中北坡古隆1 井与顺南1 井奥陶系碳酸盐岩地层系统取样的基础上,通过对所取161个样品的碳同位素数据综合分析,依据中央隆起区奥陶系碳同位素对比标准,根据2 口井的碳同位素变化特征并结合岩电与牙形石化石特征,对2 口井奥陶系碳酸盐岩地层特别是一间房组进行了准确识别与划分。进而通过总结2 口井一间房组等地层单元岩电特征,并与古隆3 井与顺南2 井相应层位的岩电特征对比,对古隆3 井与顺南2 井一间房组等地层单元进行了划分。在此基础上,通过顺南1—顺南2—古隆1—古隆3 井连井地层对比,探讨了塔中北坡古城墟隆起西部到顺托果勒低隆东部一间房组厚度变化情况。研究表明,顺托果勒低隆东部一间房组厚度明显大于古城墟隆起西部一间房组厚度,这种厚度差异应该是由一间房组沉积时期两个地区所处沉积环境不同所致。
本文在上述工作的基础上,通过对古隆1 井一间房组\恰尔巴克组界面上下牙形石动物群演变特征、过顺南1 井地震剖面上T74界面上下地震反射终止关系研究,表明至少在塔中北坡古城墟隆起西部到顺托果勒低隆东部地区,靠近或接近塔中隆起的区域T74界面应该为不整合界面,一间房组顶部地层明显遭受剥蚀。该地区除此之外的其余区域,T74界面应该为整合界面,也即一间房组与上覆恰尔巴克组之间为没有沉积间断的连续沉积。
致谢:感谢审稿专家和编辑部李亚萍老师提出的宝贵修改意见。
| [1] | 董宝清, 杜品德, 刘兴礼, 等. 塔中88 井奥陶系吐木休克组的发现及地层划分[J]. 新疆石油地质, 2008, 29(5): 599-603. Dong Baoqing, Du Pinde, Liu Xingli, et al. Discovery of Tumuxiuke Formation of Upper Ordovician in Tazhong-88 Well with Stratigraphic Division[J]. Xinjing Petroleum Geology, 2008, 29(5): 599-603(in Chinese with English abstract).( 6) |
| [2] | 蔡习尧, 钱一雄, 陈强路, 等. 塔里木盆地古隆1 井奥陶系恰尔巴克组与一间房组的发现及意义[J]. 石油实验地质, 2011, 33(4): 348-352. Cai Xiyao, Qian Yixiong, Chen Qianglu, et al. Discovery and significance of Qrebake and Yijianfang Fomations of Ordovician in well GL1, Tarim Basin[J]. Petroleum Geology & Experiment, 2011, 33(4): 348-352(in Chinese with English abstract).( 6) |
| [3] | 张智礼, 李慧莉, 谭广辉, 等. 塔里木盆地中央隆起区奥陶系碳同位素特征及其地层意义[J]. 地层学杂志, 2014, 38(2): 181-189. Zhang Zhili, Li Hui1i, Tan Guanghui, et al. Carbon isotope chemostratigraphy of the Ordovician system in Central Uplift of the Tarim Basin[J]. Journal of Stratigraphy, 2014, 38(2): 181-189 (in Chinese with English abstract).( 9) |
| [4] | 陈孝红, 周鹏, 张保民, 等. 峡东埃迪卡拉系陡山沱组稳定碳同位素记录及其年代地层意义[J].中国地质, 2015, 42(1): 207-223. Chen Xiaohong, Zhou Peng, Zhang Baoming, et al. Stable isotope records of the Ediacaran Doushantuo Formation in the eastern Yangtze Gorges and its significance for choronostratigraphy[J]. Geology in China, 2015, 42(1): 207-223(in Chinese with English abstract).( 1) |
| [5] | 江茂生, 朱井泉, 陈代钊, 等. 塔里木盆地奥陶纪碳酸盐岩碳、锶同位素特征及其对海平面变化的响应[J].中国科学(D 辑), 2002, 32(1): 36-42. Jiang Maosheng, Zhu Jingquan, Chen Daizhao, et al. Carbon and strontium isotope variations and responses to sea-level fluctuations in the Ordovician of the Tarim Basin[J]. Science in China(Series D), 2001, 44(9): 816-823.( 2) |
| [6] | Holser W T, Schidlowski M. Mackenzie F T, et al. Biogeochemlcal cycle of carbon and sulfur[C]//Gregor C B et al(ed). Chemical Cycle in the Evolution of the Earth, 1988: 105-173.( 1) |
| [7] | Emrich K, Ehhalt D H, Vogel J C. Carbon isotope fluctuation during the precipitation of calcium carbonate[J]. Earth Planet Sci. Lett., 1970, 8: 363-371.( 2) |
| [8] | Scholle P A, Arthur M A. Carbon isotopic fluctuation in Cretaceous pelaticlimestones: potential stratigraphic and petroleum exploration tool[J]. AAPG, 1980, 64:67-87.( 2) |
| [9] | 邵龙义, Jones T P. 桂中晚二叠世碳酸盐岩碳同位素的地层学意义[J]. 沉积学报,1999, 17(1): 84-88. Shao Longyi, Jones T P. Carbon isotopes and the stratigraphical implication of the Late Permian Carbonates in central Guangxi[J]. Acta Sedimentologica Sinica, 1999, 17(1): 84-88(in Chinese with English abstract).( 1) |
| [10] | Brasier M D, Anderson M M. Oxygen and carbon isotope stratigraphy of early Cambrian carbonates in southeastern Newfoundland and England[J].Geological Magazine, 1992, 129 (3): 265-279( 1) |
| [11] | Glumac B, Spivak-Birndorf M L. Stable isotope of carbon as an invaluable stratigraphic tool: an example from the Cambrian of the northern Appalachians, USA[J]. Geology, 2002, 30(6):563-566( 1) |
| [12] | Magaritz M M, Holser W T, Kirschvink J L. Carbon-isotope events across the Precambrian boundary on the Siberian Platform. Nature[J], 1986, 320: 258-259( 1) |
| [13] | Lambert I B, Walter M R, Zang W L, et al. Palaeoenvironment and carbon isotope stratigraphy of Upper Proterozoic carbonates of the Yangtze Platform[J]. Nature, 1987, 325: 140-142( 2) |
| [14] | Saltzman M R,Runnegar B, Lohmann K C. Carbon isotope stratigraphy of Upper Cambrian(Steptoean Stage)sequences of the eastern Great Basin: Record of a global oceanographic event[J]. GSA Bulletin, 1998,110(3):285-297( 1) |
| [15] | Montañez I P, Osleger D A, Banner J L, et al. Evolution of the Sr and C isotope composition of Cambrian oceans[J]. GSA Today, 2000, 10(5):1-7( 1) |
| [16] | 樊茹,邓胜徽,张学磊. 碳酸盐岩碳同位素地层学研究中数据的有效性[J]. 地层学杂志, 2010, 34(4): 445-452. Fan Ru, Deng Shenghui, Zhang Xuelei. The data validity evluation of carbonate δ 13C in C-isotope chemostratigraphy[J]. journal of stratigraphy, 2010, 34(4): 445-452(in Chinese with English abstract).( 2) |
| [17] | McCrea J M. The isotopic chemistry of carbonates and paleotemperature scale[J]. J. Chem. Phys., 1950,18: 849-857( 1) |
| [18] | 周传明, 张俊明,李国祥,等. 云南永善肖滩早寒武世早期碳氧同位素记录[J]. 地质科学, 1997, 32(2): 201-212. Zhou Chuanming, Zhang Junming, Li Guoxiang, et al. Carbon and oxygen isotopic record of the Early Cambrian from the Xiaotan Section, Yunnan, South China[J]. Scientia Geologica Sinica, 1997, 32(2): 201-212(in Chinese with English abstract).( 1) |
| [19] | 郭福生, 彭花明, 潘家永, 等. 浙江江山寒武系碳酸盐岩碳氧同位素特征及其古环境意义探讨[J]. 地层学杂志, 2003, 27(4): 289-296. Guo Fusheng, Peng Huaming, Pan Jiayong,.et al. Aprobe into the carbon and oxygen isotopic characteristics of the Cambrian carbonate rocks in Jiangshan, Zhejiang and its paleoenvironment significance[J]. Journal of Stratigraphy, 2003, 27(4): 289-296(in Chinese with English abstract).( 1) |
| [20] | Buggisch W, Keller M, Lehnert O. Carbon isotope record of Late Cambrian to Early Ordovician carbonates of the Argentine Precordillera[J]. ,Palaeogeogr. Palaeoclimatol. Palaeoecol. 2003, 195: 357-373.( 1) |
| [21] | Derry L A,Kaufman A J,Jacobsen S B. Sedimentary cycling and environmental chang in the Late Proterozoic: Evidence from stable and radiogenic isotopes[J]. Geochim. Cosmochim. Acta, 1992, 56:1317-1329.( 1) |
| [22] | Kaufman A J, Jacobsen S R, Knoll A H. The Vendian record of Sr and C isotopic variations in seawater: Implications for tectonics and paleoclimate[J]. Earth Planet Sci. Lett., 1993, 120: 409-430.( 1) |
| [23] | Kaufman A J, Knoll A H. Neoproterozoic variations in the C isotopic composition of seawater: Stratigraphy and biogeochemical implications[J]. Precambrian Research, 1995, 73: 27-49.( 1) |
| [24] | Zhu Maoyan, Zhang Junming, Li Guoxiang, et al. Evolution of C isotopes in the Cambrian of China: Implications for Cambrian subdivision and trilobite mass extinctions[J]. Geobios,2004, 37: 287-301.( 1) |
| [25] | Li D, Ling H F, Jiang S Y, et al. New carbon isotope stratigraphy of the Ediacaran-Cambrian boundary interval from SW China: implications for global correlation[J]. Geological Magazine, 2009, 146(4): 465-484.( 1) |
| [26] | Kouchinsky A, Bengtson S, Gallet Y, et al. The Spice carbon isotope excursion in Siberia: A combined study of the Upper Middle Cambrian lowermost Ordovician Kulyumbe River section, northwestern Siberian Platform[J]. Geological Magazine, 2008, 145(5): 609-622.( 1) |
| [27] | 周志毅, 陈丕基.塔里木生物地层和地质演化[M]. 北京: 科学出版社, 1990: 56-130. Zhou Zhiyi, Chen Piji (eds.). Biostratigraphy and Geology Evolution of Tarim[M]. Beijing: Science Press, 1990: 56-130(in Chinese).( 4) |
| [28] | 倪寓南, 耿良玉, 王志浩, 等.奥陶系[C]//周志毅主编,塔里木盆地各纪地层[M].北京: 科学出版社,2001: 39-80. Ni Yunan, Geng Liangyu, Wang Zhihao, et al. Ordovician[C]// Zhou Zhiyi(ed.)., Stratigraphy of the Tarim Basin. Beijing:Science Press, 2001:39-80(in Chinese with English abstract).( 1) |
| [29] | 朱忠德, 胡明毅, 刘秉理, 等. 中国早中奥陶世生物礁研究[M]. 北京:地质出版社,2006: 178. Zhu Zongde, Hu Mingyi, Liu Binli, et al. Study on the Early-Middle Ordovician Reefs in China[M]. Beijing: Geological Publishing House, 2006: 178 (in Chinese).( 1) |
| [30] | 熊剑飞, 武涛, 叶德胜. 新疆巴楚中-晚奥陶世牙形刺研究的新进展[J]. 古生物学报, 2006, 45(3): 359-373. Xiong Jianfei, Wu Tao, Ye Desheng. New advances on the study of Middle-Late Ordovician conodonts in Bachu, Xinjiang[J]. Acta PalaeontologicaSinica, 2006, 45(3): 359-373(in Chinese with English abstract).( 2) |
| [31] | 卢远征, 黄智斌, 张师本, 等.再论塔里木盆地上奥陶统吐木休克组[J]. 古生物学报, 2007, 46(增刊) : 286-290. Lu Yuanzheng, Huang Zhibin, Zhang Shiben, et al. Upper Ordovician Tumuxiuke Formation of the Tarim Basin: Its redefinition and implications[J]. 2007, Acta Palaeontologica Sinica, 46(supp.): 286-290(in Chinese with English abstract).( 2) |
| [32] | 李越, 王建坡, 沈安江, 等. 新疆巴楚中奥陶统上部一间房组瓶筐石礁丘的演化意义[J]. 古生物学报, 2007, 46(3): 347-354. Li Yue, Wang Jianpo, Shen Anjiang, et al. Evolutionary significance of the Calathium Reef Moundfrom the Yijianfang Formation, Bachu, Xinjiang[J]. Acta Palaeontologica Sinica, 46(3):347-354(in Chinese with English abstract).( 3) |
| [33] | 王志浩,周天荣. 塔里木西部与东北部奥陶系的牙形刺及其意义[J]. 古生物学报, 1998, 37(2): 173-193. Wang Zhihao, Zhou Tianrong. Ordovician Conodonts from western and northeastern Tarim and their significance[J]. Acta Palaeontologica Sinica, 1998, 37(2): 173-193(in Chinese with English abstract).( 1) |
| [34] | 王志浩,祁玉平. 中国新疆塔克拉玛干沙漠井下奥陶系的牙形刺[J]. 微体古生物学报,2001,18(2): 133-148. Wang Zhihao, Qi Yuping.Ordovician conodonts from drillings in the Taklimakan Desert, Xinjiang, NW China[J]. Acta Micropalaeontologica Sinica, 2001, 18(2): 133-148(in Chinese with English abstract).( 1) |
| [35] | 王志浩, 李越, 王建坡, 等. 塔里木中央隆起区上奥陶统的牙形刺[J]. 微体古生物学报,2009, 26(2): 97-116. Wang Zhihao, Li Yue, Wang Jianpo, et al. Upper Ordovician Conodonts from the Central High, Tarim Block, Nw China[J]. Acta Micropalaeontologica Sinica, 2009, 26(2):97-116(in Chinese with English summary).( 1) |
| [36] | 王志浩, 吴荣昌, 伯格斯特龙. 新疆塔克拉玛干沙漠轮南区奥陶纪牙形刺及Pygodus 属的演化[J]. 古生物学报, 2013, 52(4): 408-423. Wang Zhihao, Wu Rongchang, Bergströmstig M. Ordovician Conodonts from the Lunnan Area of Northwestern Taklimakan Desert, Xinjiang, China, with Remarks on the Evolution of Pygodus[J]. Acta Palaeontologica Sinica, 2013, 52(4): 408-423 (in Chinese with English abstract).( 1) |
| [37] | Alvarez L W, Alvarez W, Asaro F, et al. Extraterrestrial cause for the Cretaceous Tertiary extinction[J]. Science, 1980, 208: 1095-1108.( 1) |
| [38] | Hsü K J. Thin-skinned plate-tectonic model for collision-type orogenesis[J]. Sci. Sin., 1980, 24: 100-110.( 1) |
| [39] | Berger W H, Vincent E. Deep-sea carbonates: reading the carbon isotope signal[J]. Geol. Run, 1986, 75: 249-269.( 1) |
| [40] | Holser W T, Magaritz M. Events near the Pemian-Triassic boundary[J]. Modern Geol, 1987, 11: 155-180.( 1) |
| [41] | Lambert I B, Walter M R, Zang W L, et al. Palaeoenvironment and carbon isotope stratigraphy of Upper Proterozoic carbonates of the Yantze Plateform[J]. Nature, 1987, 325: 140-142.( 1) |
| [42] | Hoffman P F, Kaufman A J, Halverson G P, et al. A neoproterocoic snowball earth[J]. Science, 1998, 281: 1342-1346.( 1) |
| [43] | Hesselbo S P, Robinson S A, Surlyk F, et al. Terrestrial and marine extinction at the Triassic-Jurassic boundary synchronized with major carbon-cycle perturbation: a link to initiation of massive volcanism? [J]. Geology, 2002, 30(3): 251-254.( 1) |
| [44] | 左景勋,童金南,邱海鸥,等. 下扬子地区早三叠世碳酸盐岩碳同位素组成的演化特征[J]. 中国科学(D辑), 2006, 36(2): 109-122. Zuo Jingxun, Tong Jinnan, Qiu Haiou, et al. Carbon isotope composition of the Lower Triassic marine carbonates, Lower Yangtze Region, South China[J]. Science in China (Series D), 2006, 36(2): 109-122(in Chinese with English abstract).( 1) |
| [45] | Jacobsen S B. Gas hydrates and deglaciations[J]. Nature, 2001, 412: 691-693.( 1) |
| [46] | Kennedy M J, Christie-Blick N, Sohl L E. Are Proterozoic cap carbonates and isotopic excursions a record of gas hydrate destabilization following Earth's coldest intervals? [J]. Geology, 2001, 29: 443-446.( 1) |
| [47] | Anderson T F. Arthur M A. Stable isotopes of oxygen and carbon and their application to sedimentologic paleoenviromental problems[C]. In: Arthur M A. Anderson T F, eds. Stable Isotopes in Sedimentary Geology. Soci. Econ. Paleont. Miner. Short Course. 1983.10:1-151.( 1) |
| [48] | 张丽娟, 李勇, 周成刚, 等. 塔里木盆地奥陶纪岩相古地理特征及礁滩分布[J]. 石油与天然气地质, 2007, 28(6): 731-737. Zhang Lijuan, Li Yong, Zhou Chenggang, et al. Lithofacies paleogeographical characteristics and reef-shoal distribution during the Ordovician in the Tarim Basin[J]. Oil & Gas Geology. 2007, 28(6): 731-737(in Chinese with English abstract).( 1) |
| [49] | 彭苏萍, 何宏, 邵龙义, 等. 塔里木盆地∈-O碳酸盐岩碳同位素组成特征[J]. 中国矿业大学学报, 2002, 31( 4) : 353-357. Peng Suping, He Hong, Shao Longyi, et al. Carbon isotopic compositions of the Cambrian -Ordovician carbonates in Tarim Basin[J]. Journal of China University of Mining and Technology, 2002, 31(4): 353-357(in Chinese with English abstract).( 1) |



6)